云貴地方焦在長爐齡沖中爐上的應用
云貴地方焦在長爐齡沖中爐上的應用
Application of Yungui Coke in Long-life Cupola
陳世崗 楊濤 周重光
摘 要:長爐齡沖天爐是大批量生產的需要.由于西南地區焦炭質量限制,用云貴地方焦是一種經濟的選擇.本文較詳細地說明了使用云貴地方焦層焦耗12%時,鐵液溫度可高達1500℃,并使爐齡達到5~8天的效果和有關經驗.
關鍵詞:沖天爐 高溫優質鐵液 熔煉
Abstract: The long furnace lining duration soars to the heavens the stove is the mass production needBecause southwest local coke quality limit,Is burnt with the Yunnan and Kweichow place is one kind of economical choiceThis article in detail showed uses the Yunnan and Kweichow place burnt layered coke to consume time 12%,The hard fluid temperature may reach as high as 1500 ℃,And enables the furnace lining duration to achieve 5 ~ 8 day-long effects and the related experience Key word: Soars to the heavens the stove high temperature high quality iron fluid smelting
1、云貴地方焦的特點
云貴土焦的生產方式簡單方便,生產單位很多,質量差別很大,并不是任何一種土焦都可以用來作10t/h爐的燃料的。為此我們選擇了磷、硫含量低,固定碳含量不低于80%,強度相對較高的焦炭作試生產用。在試生產中我們也不敢貿然行事,因為從強度上看,云貴土焦確實達不到10t/h爐對焦炭質量的要求。試驗分三步進行,第一步全部采用從山西雨田公司購的二級鑄造焦,第二步是鑄造焦與土焦聯合使用,第三步在確有把握后才全部用云貴土焦進行熔化。兩種焦炭的主要技術指標如表1示。
表1 云貴土焦與山西鑄造焦的主要經濟技術指標
| 焦炭種類 |
固定碳 (%) |
含S量 (%) |
灰分(%) | 揮發分(%) | 碎焦率(%) | 單價/(元/t) |
| 云貴土焦 | 82-86 | 0.2-0.5 | 12-16 | 1.2-2.0 | 25-30 | 410 |
| 山西鑄造焦 | 85-87 | 0.4-0.5 | 10-12 | 1.0-1.3 | 0 | 910 |
由于沒法檢測強度指標,我們做了碎焦率測試,即將合格的焦炭加入焦炭定量斗,經長60m、落差6m的皮帶運輸機送至加料斗后,測量不合格塊度所占比例,以比較兩種焦炭的強度差別。
2、10t/h長爐齡外水冷沖天爐的特點
該爐的結構特點是特大雙爐運用在大型水冷爐上,有良好的底焦燃燒過程,鐵液具有很好的過熱距離,從而保證了高溫鐵液的獲得。這樣便為我們使用地方焦提供了保證。
3、熔煉結果
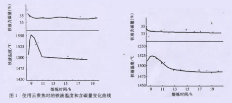
經過一段時間探索后,無論使用二級鑄造焦或優質地方焦,都取得了較為良好的實際效果。如圖1及圖2所示,當焦耗為12%時用二級鑄造焦鐵液平均溫度大1489℃,鐵液中含碳量的波動為+0.07—0.01。當用優質地方焦焦耗為12%時,鐵液平均溫度為1507℃,碳含量的波動為+0.24~-0.13。
由上可知,無論采用那種焦炭都能滿足生產需要,但是在用地方焦時,生產成本則大幅度下降(表2)。在西南特有的原材料條件下,為鑄造行業的大批量生產提供了優越的條件。
4、用云貴土焦熔煉時的幾點經驗
(1)、精心操作,保證熱制度的穩定
| 焦炭種類 | 鐵焦比 | 單價/(元/t) | 用焦成本/(元/t鐵液) | 備注 |
| 云貴土焦 | 7.1 | 410 | 57.7 | 鐵液溫度在1450℃時計算 |
| 山西鑄造焦 | 7.1 | 910 | 118.2 |
與常規短周期沖天爐相比,長爐齡沖天爐生產特點是工作周期長,具有連續性。這樣希望在開爐過程中爐內溫度不要出現大起大落的變化。否則會造成爐內或風口掛渣、結鐵,出現爐子工作不穩定的狀況,嚴重時會使爐子在工作2-3天后被迫打爐。所以,保證熱制度的穩定,除了不隨意停風外,還應根據條件選定合理的送風量,并保持定值送風狀態,盡力保持在一個工作日中鐵液溫度穩定。
我公司采用雙聯熔煉的配置,要求沖天爐鐵液溫度在1450±10℃范圍,便能滿足生產要求。因此,我們確定的層焦耗為13%~14%,并不允許隨意變動,其目的也在于保證熱制度穩定。
(2)、^控制熔劑用量
熔劑用量的大小,決定了爐渣的情況,特別是爐渣的流動性對長爐齡沖天爐而言尤為重要。首先,長爐齡沖天爐一般都有連續渣鐵分流器,如果爐渣流動性不良,會造成分渣困難和粒化不良;其次,如果爐渣流動性不好易造成爐內和風口掛渣,甚至爐渣堵塞風口的事故。
(3)、鐵液溫度不宜太高
云貴焦的特點是固定碳含量高,強度差,焦炭塊度小,鐵液增碳率高。與鑄造焦相比增碳率高出6~8倍。
在試爐初期擔心因地方焦不能保證鐵液溫度,而使用高底焦操作,結果鐵液溫度在1480℃以上時,迫使廢鋼加入量達到50%~60%,即使如此也難于保證含碳量的合格,并因廢鋼質量和清潔度差使爐內渣量增大,稍不注意就會造成爐內掛料渣結鐵現象,使爐子熔煉狀況每況愈下,并嚴重影響爐子壽命。
(4)、防止爐壁結渣
一般來說,外水冷沖天爐到開爐的后幾天,由于冷卻水的影響,容易在爐壁結渣。因此,在需要打爐的一天在配料的時候必須降低鐵焦比,同步提高送風量,以沖洗爐壁,減少爐壁結渣。
5、結論
(1)、實踐表明,江陰市鑄造設備廠制造的長爐齡冷風大排距雙層送風沖天爐的設計是合理的。
(2)、只要精心操作,加強管理,在長爐齡沖天爐上,用云貴優質地方焦同樣能獲得穩定的熔化效果。
(3)、使用云貴地方焦可以大幅度降低生產成本,為云貴地區沖天爐連續式生產的發展創造優勢。
- 2014-04-01 > 熱烈祝賀我公司V法造型線機械手自動翻合箱機調試成功
- 2012-05-30 > 我公司網站圖片被盜用
- 2012-05-16 > 江陰鑄造:用誠信鑄就品質 靠創新贏得市場
- 2012-05-15 > 20th沖天爐熔煉工藝實踐
- 2012-05-15 > 熱烈祝賀我公司新網站建成
- 2012-05-07 > 云貴地方焦在長爐齡沖中爐上的應用
- 2012-05-04 > 延長除塵器布袋壽命的注意事項
- 2012-05-03 > 氣箱脈沖布袋除塵器要注意的安全操作規程
- 2012-05-01 > 論水冷無爐襯冷風大雙沖天爐熔煉高溫優質鐵液
- 2012-04-30 > 林格曼黑度
